
貼片輕觸開關1103又稱按鍵開關1103,較早的時候出現在日本,貼片輕觸開關1103在使用的時候,以滿足操作力的條件向開關操作方向施壓開關功能閉合接通。當撤銷壓力的時候就會斷開,貼片輕觸開關1103的內部結構是靠金屬彈片受力變化來實現接通和斷開的。一般的,輕觸開關由嵌件、基座、彈片、按鈕以及蓋板等結構組成。此外,還有一種是帶有防水功能的輕觸開關,需要在彈片上加一層聚酰亞胺薄膜。貼片輕觸開關具有接觸電阻荷小,精確的操作誤差以及規格多樣化的優勢,因此在各行業中的應用十分廣泛。那么下面小編來給大家簡單介紹一些關于貼片輕觸開關的常見問題及正確使用等知識吧!
(1)貼片輕觸開關1103_TS-1103W
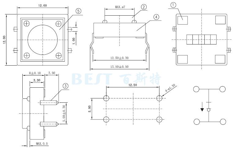
貼片輕觸開關1103_TS-1103W_參考圖紙:
貼片輕觸開關1103_TS-1103W_產品簡介:
規格:12*12mm貼片型輕觸開關
高度有:4.3mm-12mm高
支持耐高溫的高度:4.3mm和5mm
顏色:白色頭
力度:160g/250gf
包裝方式:袋裝(1000pcs包)
應用:常用于家用電器、儀器儀表、汽車電子、安防產品等行業
貼片輕觸開關1103_TS-1103W_技術參數:
使用范圍溫度:-20℃~80℃
額定值:DC 12V 50mA
接觸電阻:≤30mΩ
絕緣電阻:≥100 MΩ
(2)貼片輕觸開關1103_TS-1103C
貼片輕觸開關1103_TS-1103C_參考圖紙:
貼片輕觸開關1103_TS-1103C_產品簡介:
結構:四個定位柱和四個引腳
長寬尺寸為:12x12mm
別稱:12x12輕觸開關、四腳輕觸開關12x12等
驅動力度有3個標準分別為:250克力,180克力,160克力
只有一個高度為:7.3mm
顏色有:黑色和黃色兩種
貼片輕觸開關1103_TS-1103C_技術參數:
使用范圍溫度:-20℃~70℃
保存溫度范圍:-30℃~80℃
額定值:DC 12V 50mA
接觸電阻:≤50mΩ
絕緣電阻:≥100 MΩ
貼片輕觸開關1103_TS-1103C_機械性能:
驅動力:250±30gf或180±30gf或160±30gf
回復力:50gf min
行程:0.25±0.1mm
可焊性:超過75%的焊錫面積被錫料所覆蓋
機械壽命:50000次
(3)貼片輕觸開關1103_TS-1103
貼片輕觸開關1103_TS-1103_參考圖紙:
貼片輕觸開關1103_TS-1103_產品簡介:
規格尺寸:12×12輕觸開關,是方形輕觸開關
高度有:4.3/5-22等不同高度
按鍵力度有:160g/250g兩種
包裝方式是:袋裝,1000PCS/袋
焊接方式:不能過回流焊,一般都是手工焊接
貼片輕觸開關1103_TS-1103_技術參數:
使用范圍溫度:-20℃~70℃
保存溫度范圍:-30℃~80℃
額定值:DC 12V 50mA
接觸電阻:≤50mΩ
絕緣電阻:≥100 MΩ
在使用貼片輕觸開關1103的時候,我們注意不要不要反復開關,否則會增加用電量。貼片輕觸開關1103在閉合的時候會產生很大的啟用電流,所以在沒必要的情況下會增加用電量,還會影響開關的使用壽命,多次開關之后會造成操作機構的磨損。貼片輕觸開關1103在接線的時候一定要讓專業的電工或者安裝人員來操作,如果操作不專業就會給以后的生活帶來很多的隱患。開關和插座要用酒精來清潔,一般來說它們的外表都是很光滑的,如果用水擦拭不僅不安全還會留下一些痕跡。其次。開關的安裝應該遵循具體的安裝標準,這樣會更加美觀和安全。

Copyright © 廣東精密龍電子科技有限公司 版權所有 粵ICP備17035144號 粵公網安備44130202001184號
全國服務電話:0755-83205533 傳真:0755-83761155
公司地址:深圳市龍崗區龍崗大道8288號深圳大運軟件小鎮45棟2樓

